WL-A型電阻應變式荷重傳感器、變送器
- 產品分類:稱重測力傳感器
- 全國咨詢熱線:
- 13907318074
分享到:
概述
WL-A型電阻應變式荷重傳感器,采用十字剪切梁結構,具有良好的自然性和穩定性、抗偏載能力強、精度高、外形高度低、安裝方便穩定。可廣泛用于料斗秤、汔車衡、軌道衡等電子秤中。也可在各系統中作力的分析和測量。
主要技術指標
非線性誤差 ≤±0.05℅F.S
滯后誤差 ≤±0.05℅F.S
重復性誤差 ≤±0.025℅F.S
輸出靈敏度 2~2.5mV/V
溫度零點影響 0.005℅F.S/℃
蠕變(30min) ±0.05℅F.S
輸出阻抗及橋壓 350Ω/10VDC700Ω/10VDC
絕緣電阻 ≥2000ΜΩ
過載能力 120℅F.S
工作環境溫度 -10℃~+55℃
系列規格 1、2、3、5、7、10、15、20、 30(t)
變送器輸出 0~5VDC 0~10VDC 1~5VDC 0~10mA 0~20mA 4~20mA
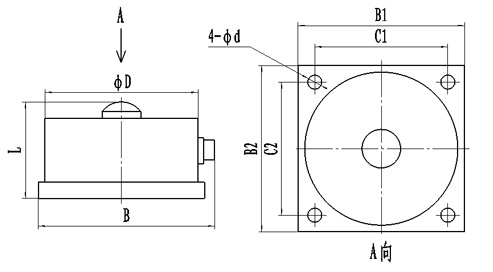
外形尺寸單位(mm)
WL-A型電阻應變式荷重傳感器,采用十字剪切梁結構,具有良好的自然性和穩定性、抗偏載能力強、精度高、外形高度低、安裝方便穩定。可廣泛用于料斗秤、汔車衡、軌道衡等電子秤中。也可在各系統中作力的分析和測量。
主要技術指標
非線性誤差 ≤±0.05℅F.S
滯后誤差 ≤±0.05℅F.S
重復性誤差 ≤±0.025℅F.S
輸出靈敏度 2~2.5mV/V
溫度零點影響 0.005℅F.S/℃
蠕變(30min) ±0.05℅F.S
輸出阻抗及橋壓 350Ω/10VDC700Ω/10VDC
絕緣電阻 ≥2000ΜΩ
過載能力 120℅F.S
工作環境溫度 -10℃~+55℃
系列規格 1、2、3、5、7、10、15、20、 30(t)
變送器輸出 0~5VDC 0~10VDC 1~5VDC 0~10mA 0~20mA 4~20mA
外形尺寸單位(mm)
| 測量范圍(t) | L | B | B1 | B2 | C1 | C2 | ΦD | Φd |
| 1 2 3 | 58 | 112 | 100 | 100 | 80 | 80 | 92 | 8.5 |
| 5 7 10 | 70 | 128 | 120 | 120 | 92 | 92 | 104 | 12.5 |
| 15 20 30 | 132 | 230 | 200 | 200 | 160 | 160 | 180 | 17 |




