BHR-10型電阻應變式稱重傳感器、變送器
- 產品分類:稱重測力傳感器
- 全國咨詢熱線:
- 13907318074
分享到:
概述
BLR-10型電阻應變式拉壓力傳感器,采用環柱式結構,具有精度高、可靠性好、性能穩定等特點??蓮V泛用于料斗秤,汽車衡、軌道衡、吊鉤秤等電子秤。以及各系統中作力的分析和測量。
主要技術指標
非線性誤差 ≤±0.05℅F
滯后誤差 ≤±0.05℅F.S
重復性誤差 ≤±0.025℅F.S
輸出靈敏度 2~2.5mV/V
溫度零點影響 0.005℅F.S/℃
蠕變(30min) ±0.05℅F.S
輸出阻抗及橋壓 350Ω/10VDC
絕緣電阻 ≥2000ΜΩ
過載能力 120℅F.S
工作環境溫度 -10℃~+55℃
系列規格 0.5、1、2、3、5、6(t) 5、10、20、30、50、60(KN)
變送器輸出 0~5VDC 0~10VDC 1~5VD 0~10mA 0~20mA 4~20mA
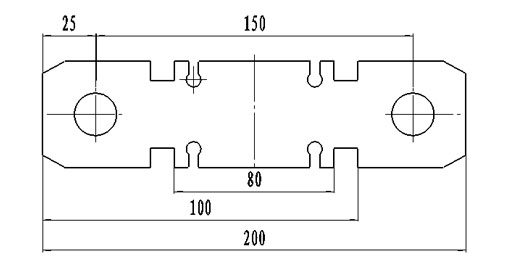
外形尺寸單位(mm)
BLR-10型電阻應變式拉壓力傳感器,采用環柱式結構,具有精度高、可靠性好、性能穩定等特點??蓮V泛用于料斗秤,汽車衡、軌道衡、吊鉤秤等電子秤。以及各系統中作力的分析和測量。
主要技術指標
非線性誤差 ≤±0.05℅F
滯后誤差 ≤±0.05℅F.S
重復性誤差 ≤±0.025℅F.S
輸出靈敏度 2~2.5mV/V
溫度零點影響 0.005℅F.S/℃
蠕變(30min) ±0.05℅F.S
輸出阻抗及橋壓 350Ω/10VDC
絕緣電阻 ≥2000ΜΩ
過載能力 120℅F.S
工作環境溫度 -10℃~+55℃
系列規格 0.5、1、2、3、5、6(t) 5、10、20、30、50、60(KN)
變送器輸出 0~5VDC 0~10VDC 1~5VD 0~10mA 0~20mA 4~20mA
外形尺寸單位(mm)
| 測量范圍 | L | L1 | L2 | L3 | L4 | B | Φ |
| 10~60(KN) | 200 | 100 | 80 | 15 | 150 | 50 | 20 |





